


Great news – on this purchase, you'll enjoy a BuildBUX bonus of $0.03.
Product Fitment:
2002-2014 Subaru WRX
2004-2021 Subaru STI
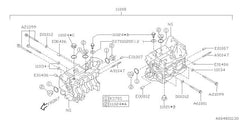
11024AA132 Plug-Main GALL is Part Code 11024*B in the diagram
Warranty Disclaimer: Subaru of America will only warranty parts installed by a CERTIFIED Subaru Dealership. The part being installed must also match the vehicle VIN. IE If you install an STi block in a WRX at your friends shop, do not expect a warranty claim to come through if it explodes! Please use your best judgement.
More Cashback
Get more cashback! Items are changing weekly. Anywhere from 1% to 20% Back in BuildBUX when you make purchases. Products
Free Money
Every month when you are charged your $4.98 subscription fee, you will get $15 in BuildBUX
Easy To Cancel
Cancel anytime, month to month terms.
Cashback
Get 1% back on every purchase on eligible brands.
Free
Completely free to use. Just place an order!
