


Great news – on this purchase, you'll enjoy a BuildBUX bonus of $0.07.
Product Fitment:
2004-2021 Subaru STI
2002-2014 Subaru WRX
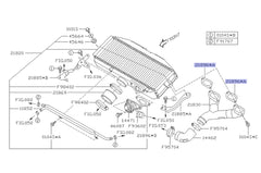
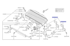
Genuine OEM Subaru factory replacement gasket for the top mount intercooler to y-pipe. Fits EJ WRX and STi models. Sold individually as needed, price is for one gasket as pictured. Two gasket are required for install. Diagram images are for reference.
More Cashback
Get more cashback! Items are changing weekly. Anywhere from 1% to 20% Back in BuildBUX when you make purchases. Products
Free Money
Every month when you are charged your $4.98 subscription fee, you will get $15 in BuildBUX
Easy To Cancel
Cancel anytime, month to month terms.
Cashback
Get 1% back on every purchase on eligible brands.
Free
Completely free to use. Just place an order!
